服務支持
產品中心
聯系我們
深圳市東么川伺服控制技術有限公司
電話:13316379101
郵箱:1355229533@qq.com
地址:深圳市龍華區民治街道樟坑社區青創城A棟B502
86無刷電機接線圖,安裝尺寸圖
發布時間:2020-12-04 06:45:24
86無刷電機接線圖

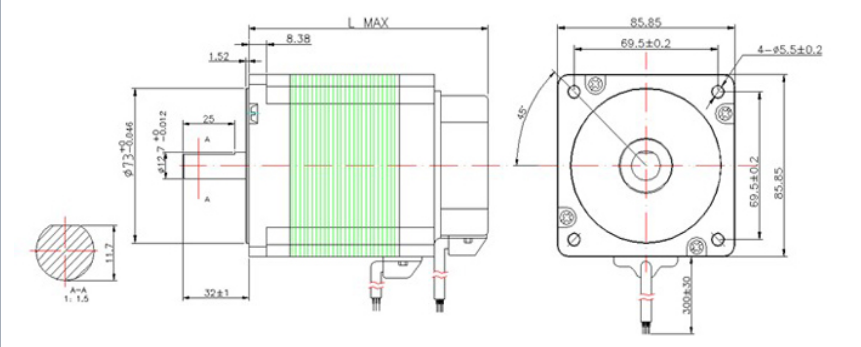
86無刷電機安裝尺寸圖

86無刷電機匹配驅動器:
直流無刷伺服驅動器PMS718


正弦波直流無刷電機驅動器DBLS515

驅動器參數列表:

86無刷電機安裝尺寸圖

86無刷電機匹配驅動器:
直流無刷伺服驅動器PMS718


正弦波直流無刷電機驅動器DBLS515

驅動器參數列表:
| 輸入電壓 | DC1 8V-50V |
| 工作電流 | <=10A |
| 電機霍爾類型 | 60度,300度,120度,240度 |
| 工作模式 | 霍爾速度閉環 |
|
調速方式 |
0-5V模擬量輸入, 0-100%PWM輸入 (PWM頻率范圍:1KHz-20KHz),內部給定,多段速1,多段速2 |
| 調速范圍 | 0—6000RPM |
|
保護功能 |
短路:當異常電流大于50A時,產生短e路保護 l 過流:當電流超過工作電流設置值并持續一設定時間后產生過流保護 e l 過壓:當電壓超過55V時產t生過電壓保護 欠壓:當電壓低于18V時s產生欠電壓保護。 l 霍爾異常:包括相位異常及值異常. |
|
工作環境
|
場合:無腐蝕性,易g燃i,易爆,導電的氣體,液體,粉塵 溫度:-10-55℃(無凍霜) 濕度:小于90e%RH(不結露) 海拔R:小于1000m 振動:小于0.5G,10hz—60hz(非連續運行) 防護等級: IP21 |
| 散熱方式 | 自然風冷 |
| 尺寸大小 | 120*76*33 單位:mm |
| 重量 |
250g |
- 上一篇:高壓步進驅動器使用說明資料手冊DM3722
- 下一篇:步進電機力矩選擇與力矩計算公式
產品推薦:兩相步進電機
產品推薦:無刷電機
產品推薦:兩相步進驅動器
產品推薦:直流無刷驅動器




























地址 ADDRESS