深圳市東么川伺服控制技術有限公司
電話:13316379101
郵箱:1355229533@qq.com
地址:深圳市龍華區民治街道樟坑社區青創城A棟B502
步進電機有哪些種類,具體區別是什么
發布時間:2020-11-16 02:24:14
在機械設計中,我們經常用到步進電機。比如,用步進電機驅動同步帶軸,實現直線運動。再比如,用步進電機驅動滾珠絲杠軸,也可以把旋轉運動轉換為直線運動。因為不需要反饋系統,所以步進電機的最大優點是,低成本下可以獲得不錯的精度。其實,除了機器中的運動平臺,生活中也可以發現步進電機的存在。比如打印機,掃描儀,相機,ATM機,3D打印機等等。

那么,步進電機的原理是什么?
用一句話來說就是:給定子中的一組或多組線圈輪流通電,線圈中的電流產生磁場,轉子為了尋找新的平衡位置,自動調整它的位置,對其磁場,從而實現運動。
你可能會說,所有電機都是這個原理,哈,沒錯,那么關于具體細節,我們后面慢慢用圖來說。
其實此前,我對步進電機的原理了解得也不是很多,不過最近好像對各類電機有點上癮,所以特地多了解了一些,畢竟,我們時時刻刻都會和電機打交道。
了解了之后,這不趁今天周末,我就來分享一下。
但是因為我不是做電機的,所以若有不妥,或者不完善之處,還希望業內人士能夠在留言區指出,補充。
今天的主要內容包括:步進電機的種類,構造,原理,步進電機的滿步半步微步控制方法,步進電機的速度扭矩特性,以及步進電機的優缺點等。
1.步進電機的類型
和其他類型的電機一樣,步進電機也是由定子和轉子構成。
在步進電機中,定子主要負責產生磁場,轉子負責跟隨磁場。
定子的主要特征包括相數,磁對數,以及線圈配置。
相數是獨立線圈的數目,而磁對數表示每一相會產生多少對磁場。
2相步進電機是最常使用的,而3相,5相不常用。

左圖是2相步進電機,右圖是3相步進電機定子示意圖

左圖是2相單磁對數定子,右圖是2相偶磁對數定子,字母N和S表示當A+和A-通電時,定子產生的磁場。
因為步進電機的構造會影響步距,速度,扭矩,以及控制方式。
所以,接下來我先說說幾種不同步進電機的構造。
它們的區別主要在于轉子是怎么做的。
(1)永磁式轉子(Permanent Magnet=PM)
第一種,永磁式轉子,這種是最簡單,也是最便宜的。
它的結構如下圖,中間的轉子是用永磁鐵做成。
當定子線圈通電產生磁場,轉子磁鐵自動對齊磁場,跟隨旋轉。

永磁式轉子步進電機

線圈通電,中間轉子自動對齊線圈產生的磁場(圖片來自Microchip)

線圈通電,中間轉子自動對齊線圈產生的磁場
這種結構,因為是用磁鐵做轉子,磁鐵磁通量大,進而扭矩大,所以保證了較好的輸出扭矩和制動扭矩。
所謂制動扭矩(Detent Torque),就是說,無論線圈是否通電,電機都會阻止旋轉,這是因為永磁鐵和定子之間的相互作用,會產生一定的扭矩,外力必須克服這個扭矩,電機才能動起來。
在電機生產廠家的產品目錄中,有的也寫為齒槽轉矩(Cogging Torque),或者殘余扭矩(Residual Torque)。
當然,有優勢也就有劣勢。
這種結構的不足之處在于,它的轉速和步距(分辨率)不高,比如一步轉動7.5°-15°,當然好處是體積可以做得很小,比如Φ20mm以下。
(2)可變磁阻式步進電機(Variable Reluctance=VR)


可變磁阻式步進電機結構
這種電機,轉子是用軟磁材料做成,轉子多齒,不同的齒形分布,可以產生不同的分辨率,線圈通電吸引轉子,引發轉動。
這種結構的好處是,可以實現高速及高分辨率,而且沒有制動扭矩,但是扭矩比永磁式小,不適用于小電機。
因為沒有永磁鐵,所以可以在有強磁場的環境中,使用這種電機。
(3)混合型(The Hybrid Design=HB)
混合型,看名字也大概知曉其含義,就是永磁式和可變磁阻式的混合。
這種電機的典型結構如下圖。

永磁和可變磁阻混合型步進電機

混合型步進電機結構

混合型步進電機的運動原理
轉子帶兩個齒冠,齒冠在軸向被磁化,一個齒冠是北極,一個是南極。
這種配置,使得混合型步進電機既有永磁式的優點,又有可變磁阻式的優點,特別是擁有高分辨率,高速,高扭矩。
混合型步進電機,通常每圈有200步,也就是步距為360/200=1.8°,這種類型的電機受限于制造,目前最小只能做到Φ19mm。
當然,好特性需要更復雜的結構和控制,所以價格也更貴。
(4)單極步進電機和雙極步進電機
按照連接方式的不同,步進電機又可以分為單極步進電機(Unipolar Stepper Motor),和雙極步進電機(Bipolar Stepper Motor)。

單極和雙極步進電機的引線方法

單極和雙極步進電機的引線方法

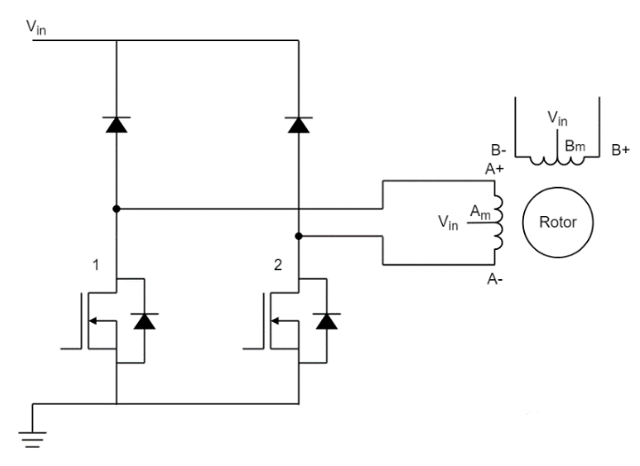
單極步進電機驅動電路
在單極步進電機中,一根引線連接到線圈的中心點,這樣連線的好處是,可以用相對簡單的電路,來控制電流的方向。
如上圖所示,中央引線Am連接到輸入電壓Vin中,如果開關1處于激活狀態,則電流從Am流到A+。
如果開關2處于激活狀態,則電流會從AM流到A-,從而在相反的方向上產生磁場。
這種方法的好處是,可以簡化驅動電路,因為僅需要兩個半導體開關,但缺點是一次僅使用電機線圈的一半,這意味著,如果在線圈中流過相同的電流,磁場強度將會減半,另外,由于必須連接更多的引線,所以這種電機更難以構造。

雙極步進電機驅動電路

在雙極步進電機中,每個線圈只有兩個引線,要控制方向,必須使用H橋電路。
如上圖所示,如果開關1和4處于激活狀態,則電流從A+流向A-,而如果開關2和3處于激活狀態,則電流從A-流向A+,在相反的方向上產生磁場。
這種連線方案,缺點是需要更復雜的驅動電路,但優點是可以實現電機最大扭矩。和單極步進電機相比,此種連線可以提高40%的扭矩,也就是單極步進電機的√2倍。
產品推薦:兩相步進電機
產品推薦:無刷電機
產品推薦:兩相步進驅動器
產品推薦:直流無刷驅動器




























地址 ADDRESS